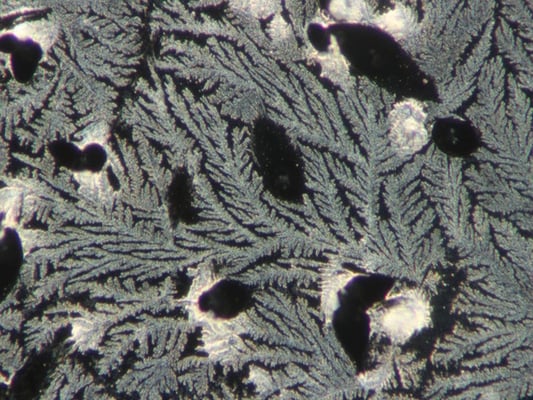
Mit der spagyrischen Kristallanalyse, welche seit den 80er Jahren erst durch Ulrich-Jürgen Heinz und dann von Andreas Schulz weiter entwickelt wurde, lässt sich die innere Struktur von Wasser bildlich darstellen. Es werden die Flüssigkristalle in ihrer energetischen Struktur sichtbar gemacht.
Diese Gestaltbildung der im Wasser gelösten Salze (und in aller lebendigen Materie) ist ein eigenständiger Qualitätsaspekt, der als Ergänzung zu den hygienisch-analytischen Untersuchungen des Wassers unbedingt hinzutreten muss, wenn nicht unser gesundheitlicher Ruin durch Zerstörung der inneren Wasserstruktur weiter voranschreiten soll. Die Kristallanalyse kann aussagen, ob ein als Trinkwasser ausgewiesenes Wasser sich wie natürlich reines Quellwasser verhält, oder ob es durch die vielfältigen Einflüsse des Menschen diese natürliche innere Struktur verloren hat. In gewissen Grenzen kann mit dieser Untersuchungsmethode sogar die Wirkung eines Wassers oder auch eines Nahrungsmittels auf unseren Organismus beurteilt werden.
Wasser aus natürlich reinem Grundwasser, welches einen langen Reifeprozess durchgemacht hat, zeigt ein Optimum an geordneten Strukturen in seiner Mineralgestalt, wie es in den folgenden Bildern dargestellt wird.
